|
Ich
möchte hier ein Projekt vorstellen, das ich für
äußerst nützlich und von der Konzeption her
nicht
minder lehrreich halte: Den AVR-Transistortester von Markus Frejek. Mit
ihm lassen sich eigentlich alle gängigen elektronischen
Bauteile,
wie Bipolar- und Feldeffekttransistoren, Dioden, Widerstände
und
Kondensatoren (die Liste ist nicht vollständig) automatisch
erkennen und deren Kenngrößen ermitteln.
Das ganze
geschieht vollautomatisch. Die Bedienung ist denkbar einfach. Es gibt
nur einen Taster und drei Anschlüsse; mehr nicht! Das zu
prüfende Bauteil steckt man beliebig in die
Anschlüsse. Nach
Betätigung des Tasters schaltet sich das Gerät ein
und
erkennt automatisch ob und wenn ja was für ein Bauteil
eingesteckt ist und wo welcher Anschluss dieses Bauteils liegt. Diese
Informationen und die wichtigsten Kenngrößen
des
erkannten Bauteils werden angezeigt. Nach ca. 10 Sekunden schaltet sich
das
Gerät automatisch wieder ab. Obwohl dieser
Transistortester
kein Präzisionsmessinstrument ist und auch nicht sein soll,
sind
die Ergebnisse, soweit ich das prüfen konnte, erstaunlich
genau.
|
![]() Der fertige Transistortester in einer Sortimentbox |
|
Lediglich
die Kapazitäten zeigte mein Exemplar um den Faktor 1,5 zu
groß an. Das ist jedoch kein Beinbruch. Zum einen kann man
dies
in der Software durch Ändern eines Faktors korrigieren (siehe
den Artikel von Markus Frejek) oder wem das, wie mir, zu aufwendig ist, einfach den
gemessenen Kapazitätswert durch 1,5 teilen oder mit 0,66
multiplizieren. Bemerkenswert ist die automatische
Abschaltung
des Transistortesters. Dieser Schaltungsteil ist für sich
schon
überaus nützlich. Ich habe ihn mittlerweile mit
verschiedenen
Variationen in einigen anderen Schaltungen verwendet. So z.B. in einem
Ladegerät und in einem kleinen Roboter. Auch das
Konzept der
Messung, die Markus Frejek da anwendet, eröffnete für
mich
ganz neue Möglichkeiten der AVR- Nutzung. So war
es mir neu, dass man mit dem AVR sowohl die Messspannungen generiert als
auch diese dann mit dem gleichen Prozessor wieder einliest.
Eigentlich ganz logisch. Nur - da muss man erst mal drauf kommen!
Den
Artikel von Markus Frejek, mit Schaltplan und der Software, findet
man hier: und ein Forum zu diesem
Transistortester ist hier: |
| ich um einen 47 nF Kondensator gegen Ground erweitert und zwischen die Anschlüsse des 7805 zwei 100 nF- Kondensatoren gelegt. Da |
![]() Das LCD-Display mit Steckverbindung |
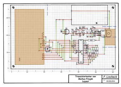
diese Bauteile nicht in dem Schalplan stehen, haben sie auch keine Bauteilbezeichnung. Stattdessen habe ich in meinem Layout die Werte des jeweiligen Bauteils eingetragen. Um das LCD-Display entnehmbar zu machen, verwendete ich eine Steckverbindung zwischen LCD- Display und der Hauptplatine. Dabei ordnete ich auf der Platine eine Steckerleiste und an dem LCD-Display eine Buchsenleiste an. Der 9V-Block findet in einer Batteriehalterung sicheren Halt. Es gibt zwei Möglichkeiten einen Prüfling zu platzieren. Da sind zunächst einmal an der Schmalseite der Box drei Buchsen. Mit ihrer Hilfe kann mittels gewöhnlicher Prüfschnüre der Prüfling angeschlossen werden. | ![]() Das Layout der Anschlussplatine |
| Dieser Anschluss kommt insbesondere für größere Prüflinge, wie z.B. 4 Watt- Widerstände oder Transistoren im TO220- Gehäuse in |
![]() Anschlußbuchsen und Anschlußplatine |
Frage. Weiterhin ist eine kleine Anschlussplatine unter dem Klarsichtdeckel angeschraubt. Auf ihr befindet sich ein 6-poliger DIL-Präzisionssockel, in dem kleine Prüflinge, wie 1/4-Watt Widerstände oder Transistoren im TO92 Gehäuse gesteckt werden. Für den DIL-Sockel wurde eine entsprechende Aussparung in den Gehäuse- deckel gefeilt. Befestigt ist die Anschlussplatine mittels zweier 2mm-Zylinderkopfschrauben mit Muttern und Unterlegscheiben. Die Reihefolge der Anschlüsse 1,2,3 entspricht der Nummerierung des DIL-Sockels. Da die Pins des DIL-Sockels durch die Leiterbahnen verbunden sind, entspricht Nummer 6 der 1, Nummer 5 | ![]() Die Verdrahtung der Anschlüsse |
| der 2 und Nummer 4 entspricht der 3. Die Buchsen zählen in gleicher Weise, nämlich von links nach rechst (siehe Foto). |
| Die
Platine ist mittels vier Schrauben M3x10 im Gehäuse befestigt.
Dabei wird zwischen dem Gehäuse und der Platine noch eine
Unterlegscheibe und eine Mutter M3 platziert, so dass ein Abstand
zwischen dem Gehäuseboden und der Platinenunterseite entsteht.
Das Bohren der Löcher ist nicht ganz
unkritisch, da
das Gehäuse aus einem Thermoplast besteht. Wird mit zu hoher
Drehzahl gebohrt, schmilzt das PVC in Folge der dabei entstehenden
Wärme und setzt sich an dem Bohrer ab. Am Besten verwendet
man,
wenn man hat, eine Handbohrmaschine (ohne Elektroantrieb)
oder
benutzt zum bohren Bohrer, die nur zu diesem Zweck gedacht sind. Ich
habe den Kunststoff von dem Bohrer abbekommen, indem ich den Bohrer auf
eine ebene feste Unterlage gelegt- und vorsichtig mit dem Hammer darauf
geklopft habe. Der Kunststoff zebröselt dann und kann vom
Bohrer
entfernt werden. Freilich ist die Gefahr den Bohrer dabei zu verbiegen
nicht von der Hand zu weisen. Es folgt die Stückliste mit den Conrad - Bestellnummern: |
![]() Die Verdrahtung des Tasters und der Anschluss der Batteriehalterung |
| Anz. |
Bezeichnung |
Symb. |
C - Best.-Nr. |
| 1 | 1-Fach Sortimentbox | - | 800000 |
| 4 | Gerätefuß | - | 525774 |
| 1 | Lötstreifenrasterplatine |
- | 529506 |
| 4 | Zylinderkopfschraube M3x10mm m. je 2 Unterlegscheiben und 2 Muttern | - | - |
| 2 | Zylinderkopfschraube M2x10mm m. je 1 Unterlegscheibe und 1 Mutter | - | - |
| 1 | Miniatur-Drucktaster, schwarz, Schließer | S1 | 705080 |
| 3 | Buchse teilisoliert, rot | - | 733814 |
| 1 | LCD-Display 2x16 Zeichen | DIS1 | 181664 |
| 1 | Stiftleiste RM 2,54, 36pol. | - | 741119 |
| 1 | Buchsenleiste RM 2,54, 36pol. | - | 741120 |
| 1 | Mikrocontroller AVM ATMege 8 - 16 | IC1 | 154054 |
| 1 | Präzisions IC-Fassung 28 pol. | - | 179994 |
| 1 | Präzisions IC-Fassung 6 pol. | - | 179993 |
| 1 | Festspannungsregler 7805 | IC2 | 179205 |
| 1 | Trimmpotenziometer 10 kOhm, liegend | - | 422444 |
| 1 | Kondensator 47 nF | - | 453080 |
| 5 | Kondensator 100 nF | C1,C3,C2 |
453358 |
| 2 | Kohleschichtwiderstand 27 kOhm, 1/4 W, 5 % | R7,R8 | 146005 |
| 1 | Kohleschichtwiderstand 100 kOhm, 1/4 W, 5 % | R9 | 403490 |
| 1 | Kohleschichtwiderstand 33 kOhm, 1/4 W, 5 % | R10 | 403431 |
| 2 | Kohleschichtwiderstand 10 kOhm, 1/4 W, 5 % | R11,R13 | 403377 |
| 1 | Kohleschichtwiderstand 3,3 kOhm, 1/4 W, 5 % | R12 | 403318 |
| 3 | Metallschichtwiderstand 680 Ohm, 1 W, 1 % | R1,R3,R5 | 419540 |
| 3 | Metallschichtwiderstand 470 kOhm, 1 W, 1 % | R2,R4,R6 | 419885 |
| 1 | low
Current LED, 5mm, rot |
LED1 |
146005 |
| 2 | Transistor,
NPN, BC547B |
T1,T2 | 155012 |
| 1 | Transistor, PNP, BC557B | T3 | 155098 |
| 1 | Schaltlitze gelb, 0,22 mm² | - |
608572 |
| 1 | Batteriehalter für 9V Block Pin | - | 651148 |
