
Geigerzähler
18.05.2017
|
WARNUNG
!
Die
hier
beschriebene Schaltung arbeitet mit 350V-Hochspannung und ist bei
unsachgemäßer
Handhabung und unglücklichen Begleitumständen
wohlmöglich lebensgefährlich! Zumindest
kann sie recht
schmerzhafte Stromschläge verursachen. Diese Schaltung darf
daher nur von Personen
aufgebaut und in Betrieb genommen werden, die eine entsprechende
Ausbildung
haben und genau wissen, was sie tun. Für
Schäden, gleich
welcher Art, die aus der
Verwendung dieser Schaltung
hervorgehen, übernehme ich keine Haftung! |
Eine
Abfrage des Begriffs Geigerzähler führt in
Wikipedia zu
dem Artikel Zählrohr. Darin wird erklährt, dass der
Begriff
Geigerzähler fachsprachlich das
Geiger-Müller-Zählrohr
bezeichnet. Gemeinhin, so heißt es weiter werde aber damit
das
Strahlungsmessgerät gemeint. Und genau das meine ich
auch! So
ein Geigerzähler ist nicht allzu schwer zu bauen und dazu
auch
noch ein recht reizvolles Projekt.
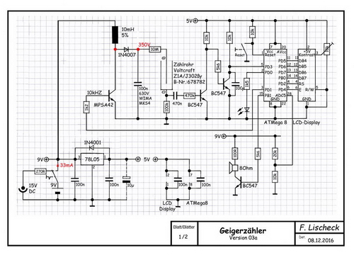
Ein
Geigerzähler besteht aus den Baugruppen Stromversorgung,
Hochspannungsgenerator, der eigentlichen Messstrecke mit dem
Zählrohr, dem
Messverstärker, sowie der Auswerte- und
Anzeigeeinheit. Der unten stehende Schaltplan gibt eine
genaue Übersicht:
 |
 |
Stromversorgung:
Das Gerät wird aus einem 9V-NiMh Akku versorgt. In
dieser
Schaltung kommt ein Akku mit einer Kapazität von 250 mAh
zum
Einsatz, wie man ihn gelegentlich günstig bei einem Discounter
bekommt. Ein Teil der Schaltung benötigt eine stabilisierte
5V-Spannung. Diese generiert ein schlichter 78L05. Er wird durch eine
Diode 1N4001 vor Rückspannungen geschützt.
Über einen
Umschalter kann der Akku geladen werden. Der Ladewiderstand ist so
dimensioniert das ein maximaler Ladestrom von 29 mA fließt.
Das
bedeutet zwar eine recht hohe Ladedauer von ca 15 Stunden, verhindert
aber auf der anderen Seite ein Überladen des Akkus, ohne eine
komplexe Ladeelektronik einsetzen zu müssen. Die beiden 100nF-
Kondensatoren dienen der Unterdrückung von Eigenschwingungen
des
78L05,
der 10µF-Kondensator stabilisiert die
Versorgungsspannung bei
auftretenden Lastspitzen.
Hochspannungsgenerator:
Das Zählrohr arbeitet mit einer Spannung von ca. 350V, die aus
der
vorhandenen Batteriespannung von 9V generiert werden muss. Das
macht man mit einem sogenannten Sperrwandler. Der Transistor MPSA42
schaltet die Induktivität 10 mH an und ab. Dies geschieht mit
einer Frequenz von ca. 10kHz mit der der Mikrocontroller ATMega8 den
Transistor ansteuert. In den Abschaltphasen bricht das magnetische Feld
der Induktivität zusammen und erzeugt mit der
entstehenden
Selbstinduktion eine hohe Spannung. In der Anschaltphase baut sich
dagegen relativ langsam das magnetische Feld wieder auf, es wird keine
oder nur eine geringe Selbstinduktion erzeugt. Das
heißt:
die Energieübertragung findet nur in der Abschaltphase, sprich
im
gesperrten Zustand des Transistors statt. Daher der Name Sperrwandler.
Eigentlich ist der Name nicht ganz richtig, denn ein Sprerrwandler hat
eigentlich eine Primär- und eine Sekundärspule, die
die
entstandene Hochspannung zusätzlich noch hochtransformiert.
Auf
die
Sekundärspule können wir aber in unserer Schaltung
verzichten;
die entstehende Spannung ist auch so hoch genug. Die Diode 1N4007
richtet die entstandenen Hochspannungsimpulse gleich und der
Kondensator
100nF glättet die Hochspannung annähernd auf
den
Spitzenwert. Die verwendeten
Bauteile in dieser Stufe sind nicht beliebig. Der Transistor muss eine
genügend hohe Spannungsfestigkeit haben. Der vorgeschlagenen
MPSA42 verträgt maximal 300V zwischen Collector und Emitter
und
ist
damit eigentlich noch unterdimensioniert. Besser ist ein MPSA44. Der
hat eine Collector-Emitterspannung von 400V. Als Induktivität
hat
sich eine mit einem Wert von 10 mH mit einer Toleranz von 5%
bewährt. Nehmen Sie eine von Conrad mit der Art.-Nr.: 437527
oder
von Reichelt mit der Best.-Nu: L-HBCC 10M oder einen gleichwertigen
Typ. Was Sie hier einsetzen ist wirklich nicht egal, denn da spielt
neben der Induktivität auch noch die magnetische
Speicherfähigkeit ein Rolle. Die Diode 1N4007 hat
eine Spannungsverträglichkeit von 1000V, der Kondensator hat
eine
Kapazität von 100 nF bei einer Spannungsfestigkeit von 630V,
Als
brauchbar hat sich ein Exemplar von WIMA aus der Serie MKS 4 erwiesen.
Messstrecke
mit Zählrohr:
Die
350V Gleichspannung gelangen über einen Vorwiderstand von
10 MOhm
an das Zählrohr und von dort über einen
Widerstand von
100 kOhm an Masse. Solange keine Teilchen das Zählrohr
durchdringen leitet es so gut wie nicht. Durchdringt ein
ß-Teilchen oder ein Gammastrahl das Zählrohr, so
wird das
darin befindliche dünne Gas ionisiert und es fließt
ein
Stromstoß durch das Zählrohr und damit auch durch
den 100 k
Widerstand, an dem ein Spannungsimpuls abfällt
Als einzige, mir zur zeit in
Deutschland, bekannte Bezugsquelle kann ich Ihnen Conrad
nennen. Die
Artikelnummer lautet: 678782.
Auf ebay werden von Zeit zu Zeit Zählrohre aus russischen
Beständen angeboten, aber da finde ich zur Zeit nichts. Das
kann sich natürlich jederzeit ändern. Daher sollten
Sie selbst einmal recherchieren.
Messverstärker:
Das Signal wird über den 470nF Kondensator
ausgekoppelt und gelangt zu einem
zweistufigen Messverstärker. Dieser wird durch zwei
Transistoren
in Emitterschaltung realisiert. Von dort kommt das Signal zu dem
Digitaleingang PD.3 des ATMega 8.
Auswerte-
und
Anzeigeeinheit:
Der Mikrocontroller ATMega 8 verarbeitet die eingehenden
Impulse
und zeigt diese dann auf dem LCD-Display an. Weiterhin misst er an dem
Analogeingang ADC.5 die Batteriespannung. Um eine Überlastung
des
Controllers zu vermeiden wird die Batteriespannung über den
Spannungsteiler 20k / 10 k auf ein Drittel ihres Wertes
heruntergeteilt. Damit wird die kritische 5V-Marke, auch im
ungünstigsten Fall, nie überschritten. Weiterhin gibt
der
ATMega 8 die eingehenden Impulse auch als akustisches Signal
über
den Digitalausgang PB.1, verstärkt und entkoppelt durch den
Transistor BC547, an den Lautsprecher aus. Ebenfalls werden die Impulse
über den Digitalausgang PD.0 durch die LED auch optisch
angezeigt.
Nicht zuletzt generiert der Controller noch, an dem Ausgang PD.1, eine
Rechteckspannung mit einer Frequenz von ca. 10 kHz. Diese wird, wie
bereits weiter oben erwähnt, zur Ansteuerung des Sperrwandlers
benötigt.
Layout:
Das Bild rechts neben dem Schaltplan zeigt das Layout der Schaltung. Sie
wurde auf einer Lochstreifenrasterplatine aufgebaut. In der Zeichnung
bedeuten die roten Linien die Leiterbahnen und die grünen
Linen
sind Drahtbrücken auf der Bestückungsseite.
Die rosanen X stehen
für Leiterbahnunterbrechungen. Die Zahlen am Rande der
Zeichnung sind die Löcher auf der Platine. Weiterhin sind die
Positionen der Ladebuchse, des Ein/Aus-Schalters, des Reset-Tasters,
des
Lautsprechers und der Batteriehalterung eingezeichnet. Einige
Verbindungen, wie der
Ein/Aus-Schalter, etc. werden durch flexible Litzen realisiert. Ich
denke in Verbindung mit dem Foto, ganz oben auf dieser Seite,
erklären sich die Einzelheiten von selbst. Unter das |
 |
LCD-Display wird eine Buchsenleiste gelötet. Das
Gegenstück,
eine Steckerleiste, kommt auf die Platine. Es gibt zwei
Anschlussvarianten für LCD-Displays. Je nach dem
welches
Display Sie verwenden, sind sowohl
Anschlussmöglichkeiten
für oberhalb der Anzeige, als auch für unterhalb der
Anzeige
vorgesehen. Wenn Sie flexibel bleiben wollen bestücken Sie
beide.
Ansonsten realisieren Sie nur die, die zu Ihrem Display passt.
Löten Sie das Zählrohr nicht direkt an seinen
Kontakten an.
Durch die Wärme könnte das Glas springen.
Legen Sie mit
etwas Silberdraht einige Schlingen um die Kontakte und
löten
Sie dann den Draht auf die Platine. Das
Layout ist für das Zählrohr von Conrad ausgelegt.
Zwar ist
das Zählrohr relativ teuer, aber ich konnte zum Zeitpunkt der
Konstruktion kein anderes Zählrohr bekommen und so
sind
sowohl das Layout, als auch die elekrischen
Parameter der
Schaltung auf dieses Zählror ausgelegt.
Software:
Die
Software die die oben genanten Funktionen steuert, ist
überschaubar. Sie
ist mit dem BASCOM erstellt und kann, ob ihres gerinegen Umfangs, auch
mit der freien Version des BASCOM bearbeitet und kompiliert werden. Sie steht hier zum Download bereit.
Das Programm baut sich auf drei Interruptroutinen und einem
Hauptprogramm auf.
Die Interruptroutine Zaehler löst ein externer
Interrupt (Int1) auf dem PIN PD.3 aus. Diese Routine
erhöht den Gesamtzaehler und setzt das Flag Flag zum Zeichen,
dass ein Impuls eingegangen ist.
Die Zeitroutine0 wird von dem Timer0 alle 50 µSekunden
ausgelöst. Hier wird der Port PD.1 zyklisch umgeschaltet, so
dass an PD.1 (Takt) ein 10 kHz Signal entsteht, welches im
Hochspannungsgenerator benötigt wird (s.o.).
Die Zeitroutine1 betreibt der Timer1. Hier handelt es sich um einen
Sekundentimer. Die Routine setzt das Flag Flag1.
Das Hauptprogramm läuft in einer Endlosschleife. Bei jedem
Durchgang wird geprüft, ob das Flag Flag gesetzt ist, d.h. ob
ein Impuls eingegangen ist. In diesem Fall werden die Ausgänge
Ton (PB.1) und LED (PD.0) gesetzt, Das Flag wird
wieder zurückgesetzt.
Weiterhin wird in jedem Durchgang der Zustand von Flag1
überprüft. Ist dieses gesetzt, dann ist eine Sekunde
verstrichen |
 |
und
der Ausgang LED wird zurückgesetzt. Also blinkt die LED bei
jedem
eingenden Impuls max. eine Sekunde lang. Dies ist eine
Impulsverlängerung. Sie wird benötigt weil die
eingehenden Impulse so
kurz sind, das sie weder hör- noch sichbar sind. Die
Zeitvariablen
Zeit60 und Zeit10 werden erhöht und das Flag1 wird wieder
zurückgesetzt.
Im weitern Verlauf des Proramms erfolgt eine Abfrage des Wertes von
Zeit60. Ist dieser größer als 59, ist also eine
Minute
verstrichen, so wird Zeit60 auf Null gesetzt, CpM60 errechnet
und
LCnt60 auf den Wert von CpM60 gesetzt. CpM60 steht für Counts
per
minute und zwar über die volle Minute gezählt und
Lcnt60
steht für Last Count per minute, also für die letzte
Zählung pro Minute. Die Berechnung von CpM60 erfolgt indem
Lcnt60
von dem Wert von Gesamtzaehler abgezogen wird.
Anschließend
wird Lcnt60 der Wert von CpM60 zugewiesen, die
Batteriespannung
gemessen und in Volt umgerechnet.
Es folgt ein Vergleich der Variablen Zeit10 auf den Wert 9. Ist Zeit10
größer als 9, sind also 10 Sekunden verstrichen, so
wird
Zeit10 wieder auf Null gesetzt und eine neues CpM10 errechnet. Die
Berechnung ist ähnlich der von CpM60, doch werden hier die
Impulse
der letzten 10 Sekunden auf eine Minute interpoliert, indem deren Wert
mit sechs multipliziert wird. Lcnt10 steht hier für Last count
per
minute, auf der Basis von 10 Sekunden Messzeit und wird genauso
behandelt wie Lcnt60 im oberen Teil des Programms.
Im weitern Durchlauf werden die gemessenen Werte ausgegeben.
Zunächst auf dem LCD-Display, dann akustisch. Dabei wird nicht
in
jedem, sondern nur in jedem einhundertsten Durchlauf der Ton, der ja
eingangs auf 1 gesetzt wurde, wieder abgeschaltet. Durch diese
Impulsverlängerung werden auch kurze Impulse hörbar.
Damit
ist ein Durchlauf beendet und der Vorgang beginnt von neuem.
Fuses:
Damit das Programm einwandfrei funktionieren kann, müssen die
Fuses richtig gesetzt sein. Die korrekten Werte sind:
HIGH: 0xD9
LOW: 0xE4
Gehäuse:
Als
Gehäuse kommt eine 1-Fach
Sortimentbox
von Conrad zum Einsatz (Art.-Nr.:800000) . Die
Platine wird passend zugeschnitten und mittels vier Schrauben M3x10 in
dem
Gehäuse befestigt.
Dabei kommt zwischen dem Gehäuseboden und der Platine noch
eine
Unterlegscheibe und eine Mutter M3, so dass ein Abstand
zwischen dem Gehäuseboden und der Platinenunterseite entsteht.
Das Bohren der Löcher ist nicht ganz
unkritisch, da
das Gehäuse aus einem Thermoplast besteht. Wird mit zu hoher
Drehzahl gebohrt, schmilzt das PVC in Folge der dabei entstehenden
Wärme und setzt sich an dem Bohrer ab. Am Besten verwendet
man,
wenn man hat, eine Handbohrmaschine (ohne Elektroantrieb)
oder
benutzt zum bohren Bohrer, die nur zu diesem Zweck verwendet
werden.(Ich
habe den anhaftenden Kunststoff von dem Bohrer abbekommen, indem ich
den Bohrer auf
eine ebene feste Unterlage gelegt- und vorsichtig mit dem Hammer darauf
geklopft habe. Der Kunststoff zebröselt dann und kann vom
Bohrer
entfernt werden. Freilich ist die Gefahr den Bohrer dabei zu verbiegen
nicht von der Hand zu weisen.) Die Anordnung der Komponenten ist dem
oberen Foto gut zu erkennen.
|