Bewegungsmelder
für die Intervallschaltuhr (Fotofalle)
zurueck


IMG_1824

In der Ausgabe 11/2013 [1] brachte die Zeitschrift Elektor einen Artikel von Rolf Blijleven. Der Artikel handelte von einem bewegungsgesteuerten Fernauslöser für eine Nikon D80. Zwar behandelt der Artikel die Nikon D80, doch ist der IR-Code wohl bei allen Kameras der Nikon Dxx-Serie identisch. Rolf Blijleven bezog sich bei dem Code der IR-Fernsteuerung auf die Seite von Big Mike [2], der auch mich seinezeit bei meiner Intervallschaltuhr für eine Nikon D50, inspiriert hatte. Ich habe dieses Projekt auf meinen Seiten in einem früheren Artikel vorgestellt. Neu war der Bewegungssensor der die Kamera auslöst. Ganz klar, so etwas wollte ich auch haben!

Also klapperte ich alle Discounter in der Umgebung ab, doch keiner hatte ein batteriebetriebenes bewegungsgesteuertes Nachtlicht im Sortiment. Was Conrad und IMG_1805aReichelt zu bieten hatten war für den Verwendungszweck zu teuer und außerdem nicht batteriebetrieben. So ging ein neues Jahr ins Land. Dann hatte Lidl ein entsprechendes LED-Batterienachtlicht als Sonderangebot. Zwar nicht für 2,65€, wie in dem Elektor-Artikel beschrieben, aber immerhin für 4,99€. Hersteller war  die Firma OWIM GmbH, die  für Lidl unter dem Logo LIVARNO produziert. Ich zögerte nicht lange und kaufte so ein Teil.

Zuhause nahm ich das Gerät auseinander.
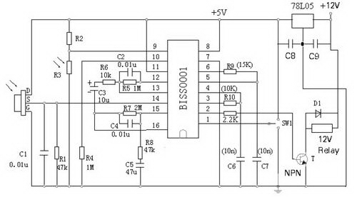
Wie das  Bild zeigt, ist das Nachtlicht aus vier Baugruppen aufgebaut: Dem Batteriehalter, dem Wahlschalter, der Sensorplatine und der Hauptplatine. Der Umbau war bei Rolf Blijleven relativ unkompliziert, denn die Schaltung von seinem Nachtlicht war mit konventionellen Bauteilen aufgebaut und das IC war ein TL0001 als 16-Pin DIL-Baustein. Natürlich hatte ich gehofft ebensoviel Glück zu haben. Doch leider zeigte sich nach dem Öffnen des Gerätes, dass der Hersteller hier modernere Fertigungsverfahren anwendet. Alles lag in schönster SMD-Technik vor mir. Ein Gutes hatte die Sache aber. Das verwendete IC war ein BISS0001. Aus dem Elektor-Artikel ging hervor, dass das BIS0001 mit dem TL0001 kompatibel ist. Lediglich in den Datenblättern gab es einen Unterschied. Die Berechnunngsvorschrift des TL0001 ist fehlerhaft. Ein englischsprachiges Datenblatt für den BISS0001 [3] war schnell gefunden und die dort vorgeschlagene Applikation zeige sich als weitgehend identisch zu dem im Elektor-Artikel abgebildeten Schaltbeispiel des TL0001.

Der Bewegungssensor, ein PIR-Sensor [4], reagiert auf eine Veränderung der Wärmestrahlung, die eine Wärmequelle, z.B. ein Mensch, abgibt, wenn sich diese vor dem Sensor bewegt. Die Elektronik des Nachtlichts wertet das Sensorsignal aus
PBISSS0001aund schaltet 3 LEDs für ca. 22 Sekunden ein. Danach wird für eine kurze Zeit jede Reaktion auf den Sensor unterdrückt. Warum überhaupt ein Umbau?  Zunächst einmal müssen wir das Signal nach außen, zur Kamera oder in unserem Fall zu unserer Intervallschaltuhr senden. Um Strom zu sparen, ist in das Nachtlicht zusätzlich eine Fotodiode eingebaut, die als Dämmerungsschalter wirkt und das Nachtlicht nur bei Dunkelheit aktiviert. Der Bewegungsmelder soll natürlich auch bei Tag arbeiten. Weiterhin ist die Einschaltdauer des Nachtlichts mit 22 Sekunden viel zu lang und auch die Signalunterdrückung kann deutlich kürzer ausfallen. Die 3 hellen weißen LEDs verbrauchen unnötig viel Strom  und können durch eine Low-Current-LED zur Zustandsanzeige ersetzt werde. Damit ist auch der Vorwiderstand für die LED zu erhöhen.  Zuständig für die Zeiten sind zwei RC-Kombinationen.  Die eine heißt, laut Datenblatt, Tx und ist die Einschaltdauer. Die andere heißt Ti und steht für die Dauer der Signalunterdrückung.
Tx = 24576 * R10 * C6  und Ti = 24 * R9 * C7
Zwischen den Anschlüssen 3 und 4 des BISS0001 liegt der, die Einschaltdauer bestimmende Widerstand R10 mit 91 kOhm und zwischen  Pin 4 und Masse der zugehörige Kondensator C6 mit 10nF (Wie spätere Messungen zeigten). Zwischen den Anschlüssen 5 und 6 des BISS0001 liegt der die Dauer der Signalunterdrückung  bestimmende Widerstand R9 mit 1 MOhm und zwischen  Pin 5 und Masse der zugehörige Kondensator C7 mit 10nF (vermutet). Damit ergeben sich für das Nachtlicht folgende Zeiten:
Tx = 24576 * 91000 * 0,000.000.010 = 22,3 Sekunden, (was mit der tatsächlich gemessenen Zeit gut übereinstimmt)
und
Ti = 24 * 1.000.000 * 0,000.000.010 = 0,24 Sekunden
Der Elektor-Artikel schlägt nun folgende Werte für den Fernauslöser vor: R10= 1 kOhm, C6 = 100 nF und R9 = 270 kOhm und C7 =  1 nF. Damit kommt der Autor auf die Werte Tx = 24 mS und Ti = 0,5 Sekunden. Diesen Werten vermag ich mit den obigen Gleichungen nicht zu folgen. Daher entschloss ich mich folgende Werte einzusetzen: R10 = 1 KOhm, C6 = 1 nF und R9 = 270 kOhm und C7 zu lassen, wie er auf der Platine ist, vermutlich 10 nF. Damit ergab sich für

Tx = 24576 * 1.000 * 0,000.000.001 = 0,024 Sekunden
Ti = 24 * 270.000 * 0,000.000.010 = 0,007 Sekunden

Hier eine Anmerkung: Man darf nicht vergessen dass da, wo ich so großzügig ein Gleichheitszeichen gesetzt habe, in dem Datenblatt nur ein ungefähr steht. Wie auch immer; die Schaltung funktioniert jedenfalls mit den von mir verwendeten Werten. Der Wert von C7 ließ sich in eingebautem Zustand nicht messen und ausbauen
IMG_1800bwollte ich ihn nicht unnötig, zumal sich folgende Überlegung ergibt: Ursprünglich war auf der Platine ein 1 Megaohm-Widerstand, den ich durch einen 270 kOhm-Widerstand ersetzt habe. Da C7 nicht verändert wurde, muss Ti jetzt nur noch etwa 1/3 so lang sein wie es Ti im Original-Nachtlicht war.
Der Vorwiderstand für die LED, ich nenne ihn hier Rv, errechnet sich wie folgt: Rv = (Batteriespannung - Uf- UCE) / I
Rv = (4,5 V - 1,8V - 0,1 V) / 0,004 A =  650 Ohm, gewählt 560 Ohm

Da ich bislang noch nicht mit SMD-Bausteinen gearbeitet hatte, machte ich mich erst einmal kundig, wie mit diesen Bausteinen umzugehen ist. 
Ich wusste aber, dass man SMD-Widerstände und Kondensatoren auch mit einem normalen Lötkolben bearbeiten kann. Einen guten Beitrag,  wie man das macht, fand ich bei YouTube [5]. Er ist von Burghard Kainka. Weitere gute Hinweise, z. B. für die Identifizierung der SMD-Bausteine, fand ich hier [6].
Nun ging es ans Werk. Einige Anschlussdrähte waren mit Heißkleber auf der Platine verklebt. Der Kleber lässt sich aber recht gut mit der Klinge eines Schraubendrehers entfernen. Das nebenstehende Bild zeigt, wo Veränderungen durchzuführen sind (Rote Kreise). Zunächst sind die weißen LEDs auszulöten. Für die untere LED setzte ich eine grüne Low-Current-LED ein. Der obere rechte blaue Draht wurde von der Platine abgelötet und isoliert. Damit ist die Funktion des Dämmerungsschalters aufgehoben. Einen hochohmigen Widerstand braucht man nicht einsetzen. Es funktioniert auch so. Weiterhin lötete ich zwei neue Drähte an einen der freigewordenen oberen LED-Anschlüsse an.  Sie sind die Verbindung zu der vorhandenen Intervallschaltuhr. Bislang waren das alles noch konventionelle Bauteile. Nun wurde es ernst.
 Zunächst entfernte ich den 91 KOhm Widerstand und den darunter liegenden Kondensator (in dem Bild mit Tx markiert) und ersetzte 140123ab-002dden Widerstand durch 1 KOhm und den Kondensator durch 1 nF. Dann entfernte ich den 1MOhmIMG_1812b Widerstand (im Bild mit Ti markiert) und baute einen 270 kOhm-Widerstand ein. Zum Schluss ersetzte ich den 10 Ohm Widerstand Rv durch einen Widerstand mit dem Wert 560 Ohm.

Zur Verbindung des Nachtlichts  mit der Intervallschaltuhr wollte ich  eine käufliche 
Audio-Verbindungsleitung mit 3,5 mm Mono- oder Stereoklinkensteckern einsetzen. Damit war das Nachtlicht kompatibel zu der bestehenden manuellen Fernsteuerung der Intervallschaltuhr. Hier zeigte es sich als vorteilhaft, dass ich damals den erhöhten Aufwand mit dem Optokoppler in der Intervallschaltuhr getrieben hatte. -
Es war gar nicht so einfach eine geeignete Stelle für den Einbau der Klinkenbuchse in dem Nachtlicht zu finden. Mit einer Klinkenbuchse Mono 3,5 mm von Conrad (733121) neben dem Batteriehalter ging es. Zunächst mussten die Ausgangsdrähte an die Klinkenbuchse gelötet werden. Erst dann konnte der
Einbau der Klinkenbuchse erfolgen. Nach einem erfolgreichen Funktionstest baute ich das Nachtlicht wieder zusammen. Damit war der Umbau abgeschlossen.

Links:

{1]  Elektor 11/2013 Bewegungsgesteuerter Fernauslöser mit Arduino 
[2]  Seite von Big Mike
[3]  Datenblatt des BIS0001
[4]  Eine Erklärung der Wirkungsweise eines PIR-Sensors in Wikipedia
[5} SMD löten üben. Ein Video von Burghard Kainka
[6]  ELV :SMD Löten, Entlöten, Identifizieren



zurueck